Nutzerkonto erstellen
Login
Gesetze Übersicht
LX Gesetze für iPhone & iPad
Funktionen und Preise
Gutschein einlösen
Feedback & Support
Datenschutzerklärung
Allgemeine Geschäftsbedingungen
Impressum
Nutzerkonto erstellen
Login
Gesetze Übersicht
LX Gesetze für iPhone & iPad
Funktionen und Preise
Gutschein einlösen
Feedback & Support
Datenschutzerklärung
Allgemeine Geschäftsbedingungen
Impressum
EBO
Eisenbahn-Bau- und Betriebsordnung
Vom
8.5.1967
Zuletzt geändert am
5.4.2019
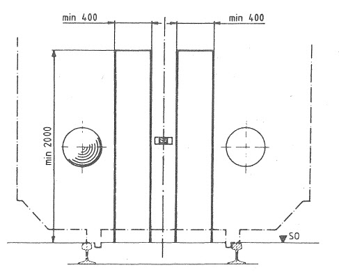
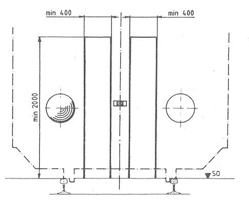
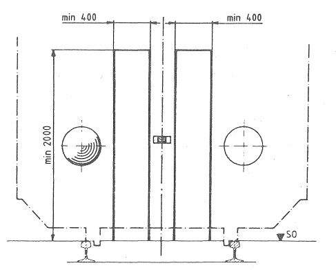
Anlage 11
(zu § 25) Freizuhaltende Räume an den Fahrzeugenden
Maße in Millimetern
Vorherige Norm